Купить принтеры маркираторы Videojet Unicorn I
Семейство принтеров Unicorn представляет собой универсальное компактное решение для эффективной маркировки вторичной упаковки. Оборудование позволяет наносить надписи в одну или две строки и идеально подходит для производственных линий, где критически важна скорость настройки без привлечения технического персонала. Особая конструкция устройства включает в себя все необходимые компоненты в едином блоке, что обеспечивает максимально быстрый запуск печати и упрощает процесс эксплуатации.
| В нашей компании вы можете заказать и купить промышленные принтеры (маркираторы) Videojet Unicorn I, а также запасные части и расходные материалы (печатающие головки, картриджи, кабели, модули и т.д.) для принтеров Videojet Unicorn I. Мы предлагаем оригинальное оборудование по конкурентным ценам, сжатые сроки поставки и фирменный сервис. Наши специалисты будут рады проконсультировать по подбору оборудования для ваших нужд! Получите индивидуальное ценовое продложение на промышленные принтеры маркираторы Videojet Unicorn I. |
Характеристики принтера для промышленной маркировки Videojet Unicorn I
Система включает в себя:
- Контроллер/устройство ввода;
- Печатающую головку;
- Универсальный источник питания;
- Монтажные кронштейны и набор начальных чернил
- Встроенное программное обеспечение
- Настраиваемые коды времени и даты
- Время переключения
- Срок годности для автоматической печати с указанием до двух различных дат истечения срока годности
- Органайзер смен для автоматического кодирования по определенным сменам (до 4 смен)
- Задержка печати для размещения сообщений
- Регулировка ширины символов
- Последовательная инкрементная нумерация
- Выбор языков (встроенных): Голландский; Английский; Финский; Французский; Немецкий; Греческий; Итальянский; Катакана; Португальский, Испанский, Шведский
- Специальные устройства для нанесения: арабский, китайский, иврит
Высота печати: Стандартная высота печати: 3/8 дюйма (10 мм); дополнительная высота: 5/16 дюйма (7,9 мм); 1/2 дюйма (12,7 мм); 3/4 дюйма (20 мм)
Символьные шрифты: матрица 7 x 5 точек, 54 печатаемых символа ASCII
Печатаемые символы с ударением:
Скорость конвейерной линии: от 20 футов/мин (6,1 м/мин) до 200 футов/мин (61,0 м/мин)
Длина сообщения: до 40 символов
Объем хранилища сообщений: до 52 сообщений
Диапазон рабочих температур: от 40°F до 120°F (от 4°C до 49°C)
Электрический: в системе используется универсальный импульсный источник питания.
Система подачи чернил с внутренним регулированием; заводская настройка; регулировка нетребуется
Чернила: 8 унций (0,23 литра), неаэрозольный баллончик с чернилами под давлением
Вес при транспортировке: 6,4 кг
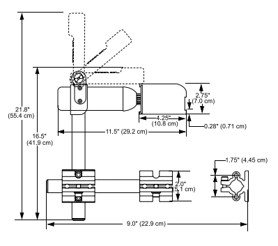
Монтажный кронштейн: трубки диаметром 15 дюймов (38,9 см) и 9 дюймов (22,8 см) и диаметром 1,0 дюйма (2,54 см); наружный диаметр (OD)
Дополнительные кронштейны для специальных установок: для особых случаев монтажа доступен комплект кронштейнов с большим радиусом действия, комплект для установки выносного кронштейна позволяет устанавливать печатающую головку на расстоянии до 20 футов (6,1 м) от контроллера



