Купить принтеры маркираторы Videojet 8520
Videojet 8520 представляет собой современный термоструйный принтер, обеспечивающий высококачественную печать благодаря передовой технологии. Это многофункциональное устройство оборудовано просторным сенсорным дисплеем с интуитивно понятным интерфейсом CLARiTY™, который будет знаком пользователям других моделей Videojet с аналогичной системой управления.
| В нашей компании вы можете заказать и купить промышленные принтеры (маркираторы) Videojet 8520, а также запасные части и расходные материалы (печатающие головки, картриджи, кабели, модули и т.д.) для принтеров Videojet 8520. Мы предлагаем оригинальное оборудование по конкурентным ценам, сжатые сроки поставки и фирменный сервис. Наши специалисты будут рады проконсультировать по подбору оборудования для ваших нужд! Получите индивидуальное ценовое продложение на промышленные принтеры маркираторы Videojet 8520. |
Характеристики принтера для промышленной маркировки Videojet 8520
Скорость печати / разрешение экрана:
- Максимальное разрешение 600x600 точек на дюйм
- Скорость печати 5-360 кадров в минуту (1,5-109 м/мин) при разрешении 600x240 точек на дюйм
Более высокая скорость печати возможна при более низком разрешении по горизонтали
Возможности печати:
- Полная поддержка загружаемых шрифтов с использованием шрифтов TrueType®
- Фиксированные, изменяемые и объединяемые текстовые поля
- Гибкие форматы даты / времени и кодов сдвига
- Автоматическое вычисление оптимального времени до даты
- Автоматическое увеличение / уменьшение текста и счетчиков
- Поддерживается множество графических форматов (до максимальной площади печати)
Штрих-коды: EAN8, EAN13, UPC-A/E, КОД 39, КОД 128, EAN128, панель данных GS1 (включая 2D composite), DataMatrix, QR, PDF417
Картридж для печати:
Максимум четыре картриджа для печати высотой 12,7 мм и разрешением 600 точек на дюйм (в комплекте/прошитых или
развернутых независимо друг от друга)
Функции, доступные с оригинальными чернильными картриджами Videojet TIJ:
- Автоматическое распознавание картриджа;
- Настройка параметров;
- Отслеживание номера партии чернил;
- Портативное отслеживание уровня чернил и повышение скорости печати.
Дисплей: 8,4-дюймовый TFT SVGA (800x800) полноцветный ЖК-дисплей и сенсорный экран
- Предварительный просмотр в формате WYSIWYG
Полная диагностика на борту
Три уровня защиты паролем или расширенная настраиваемая защита паролем
Обширная языковая поддержка (всего 22 языка)
Интерфейс передачи данных: поддержка RS232, Ethernet, USB-накопителей, текстовых протоколов связи
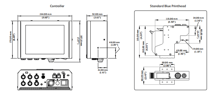
Размеры контроллера:
Длина 9,6 дюйма (244 мм)
Ширина 3,6 дюйма (92 мм)
Высота 6,7 дюйма (170 мм)
- Размеры не включают печатающую головку, дополнительные кабели и подключения к источнику питания
Размеры печатающей головки (доступны четыре варианта печатающих головок с различными размерами для удовлетворения требований к линейной интеграции).
Следующие размеры указаны для стандартной синей печатающей головки:
4,5 дюйма (115 мм) в длину
4,3 дюйма (110 мм) в высоту
2,4 дюйма (60 мм) в ширину (на шлифовальной пластине)
- Размеры не включают подключение картриджа и кабеля
- Размеры красной, зеленой и золотой печатающих головок отличаются по длине и высоте от размеров синей печатающей головки
Диапазон температур: от 41°F до 113°F (от 5°C до 45°C)
Требования к электричеству: 100-240 В переменного тока, 50/60 Гц
Приблизительный вес (контроллер): 3,2 кг



