Купить принтеры маркираторы серии Domino A200
Domino A200 представляет собой современное маркировочное оборудование, которое отличается оптимальным соотношением цены и функциональности. Благодаря передовым технологиям, принтер способен обеспечивать превосходное качество печати различных данных прямо на поверхности упаковочных материалов. Особую ценность устройству придает инновационная технология бесконтактной маркировки. Это позволяет эффективно наносить информацию на тару любой формы и размера, включая упаковки с неровными краями и изогнутыми поверхностями, что значительно расширяет возможности применения принтера в различных производственных процессах.
| В нашей компании вы можете заказать и купить промышленные принтеры (маркираторы) Domino А200, а также запасные части и расходные материалы (печатающие головки, картриджи, кабели, модули и т.д.) для принтеров Domino А200. Мы предлагаем оригинальное оборудование по конкурентным ценам, сжатые сроки поставки и фирменный сервис. Наши специалисты будут рады проконсультировать по подбору оборудования для ваших нужд! Получите индивидуальное ценовое продложение на промышленные принтеры маркираторы Domino А200. |
Конструктивные особенности модели включают в себя уникальную сканирующую головку и универсальный интерфейс, что делает процесс интеграции принтера в существующие этикетировочные системы максимально простым и удобным. Дополнительным преимуществом является продуманная чернильная система с большим резервуаром, обеспечивающая непрерывную работу оборудования на протяжении длительного времени без необходимости дополнительных остановок для дозаправки.
Характеристики принтера для промышленной маркировки Domino A200
Блок управления:
Панель управления: мембранная сенсорная кнопка
Корпус: нержавеющая сталь (304), класс защиты IP53(BSEN 60529:1992)
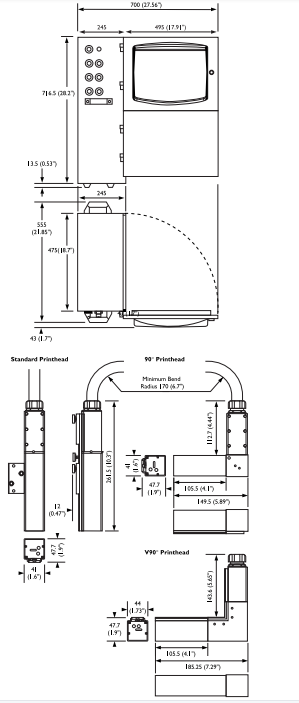
Размеры корпуса: 245 мм x 475 мм x 725 мм (9,6 ” x 18,7” x 28,5”)
Вес: 36 кг (79 фунтов)
Управление символами:
- Автоматическое повторение • Ширина символов
- Автоматическая регулировка высоты инвертирования/реверса
- Заданный пользователем формат часов • Задержка печати
- Последовательная нумерация / нумерация партий • Счетчик продуктов
- Обратный ход • Штрих-коды, выделенные жирным шрифтом • Повтор сообщения
Опции ввода данных:
- Последовательный интерфейс RS232 • Разъем Ethernet, RJ45
- Скорость передачи: 110-38,4 Кбит/с, настраивается программно
Система подачи чернил:
Регулировка вязкости: автоматическая
Регулировка расхода чернил: автоматическая при запуске
Заправка чернил и косметики: картридж объемом 825 мл (87qt), автоматически дозируется
Печатающая головка:
Размеры: 240 мм x 41 мм x 47 мм (9,45 ” x 1,61” x 1,85”)
Длина трубы: 3 м (11’8) или 6 м (23’6)
Принудительный приток воздуха: дополнительная внутренняя подача
Осушитель воздуха: внутренний компрессор или заводской вариант подачи воздуха
Температура/влажность: 5°C – 45°C (40°F – 112°F); 10% – 90% (без образования конденсата)
Требования к электричеству: Однофазное, полностью автоматическое переключение; 90-132 В/180-264 В, 50/60 Гц, 200 ВА
Стандартные подключения:
Датчик продукта: 12 В 100 мА для фотоэлемента или датчика приближения. 6-позиционный разъем IP68
Вход датчика вала: открытый коллектор или TTL-датчик 12 В через 6-позиционный разъем IP68
Опции:
- Разъем сигнального маяка: 7-позиционный разъем IP68
- Разъем вспомогательной сигнализации: 9-позиционный штекер IP68
- Разъем пользовательского порта: 25-позиционный разъем IP68
- Аксессуары
- Полный ассортимент фотоэлементов, подставок и брекет-систем



