Купить принтеры маркираторы серии Domino A120
Domino А120 представляет собой инновационное устройство для нанесения маркировки на различные поверхности ПЭТ-бутылок. Благодаря продуманной конструкции и современным технологиям, оборудование позволяет быстро и эффективно адаптировать наносимую информацию под конкретные производственные задачи и требования рынка.
Широкий спектр возможностей делает этот принтер незаменимым помощником в производстве. На бутылки можно наносить как базовую информацию – дату и время производства, срок годности, номер продукта и партии, так и более сложные элементы маркировки. Устройство легко справляется с печатью логотипов компании прямо на упаковке, а также может создавать многострочные надписи, которые полностью заменяют традиционные этикетки.
Оперативность настройки – одно из ключевых преимуществ данной модели. Производитель может быстро вносить изменения в маркировку, что особенно важно при необходимости обновления информации или при переходе на выпуск новой продукции.
| В нашей компании вы можете заказать и купить промышленные принтеры (маркираторы) Domino А120, а также запасные части и расходные материалы (печатающие головки, картриджи, кабели, модули и т.д.) для принтеров Domino А120. Мы предлагаем оригинальное оборудование по конкурентным ценам, сжатые сроки поставки и фирменный сервис. Наши специалисты будут рады проконсультировать по подбору оборудования для ваших нужд! Получите индивидуальное ценовое продложение на промышленные принтеры маркираторы Domino А120. |
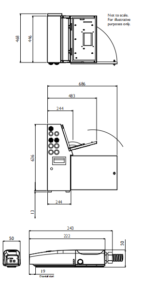
Характеристики принтера для промышленной маркировки Domino А120
1. Рабочие характеристики
-
Максимальное количество сообщений: 300
-
Максимальное количество символов в поле: 256
-
Максимальное количество полей в сообщении: 40
-
Генерация логотипов: Встроенная
-
Максимальное количество логотипов: 250
-
Максимальное количество штрихов в логотипе: 2000
-
Максимальная высота печати: 25 капель
-
Максимальное количество строк текста: 3
-
Максимальная скорость печати: 148 м/мин
2. Интерфейсы
-
QVGA (320x240) с клавиатурой: Стандарт
-
4-ступенчатый маяк (24V): Опционально
-
4-ступенчатая сигнализация (бесконтактные реле): Опционально
-
Детектор продукта: Стандарт
-
Вал энкодера: Стандарт
3. Условия эксплуатации
-
Вес: 23 кг
-
Материал корпуса: Нержавеющая сталь 304 или аналог
-
Степень защиты IP: 55
-
Рабочая температура (зависит от чернил): от 5°C до 45°C
-
Влажность: от 10% до 90%
-
Питание: 96–256V, 47–63Hz
-
Потребляемая мощность: 56 Вт
4. Соответствие стандартам
-
CE, RoHS, Sony Green Partner: Стандарт
-
Чернила, соответствующие EUPIA: Стандарт
5. Печатающая головка
-
Длина кабеля: 3 м
-
Радиус изгиба: 45 мм
-
Размер сопла: 60 мкм
-
SureStart: Стандарт
-
Нагреватель: Стандарт
-
Пневмонасос: Опционально
6. Система чернил
-
Картридж с чернилами: 825 мл
-
MU-картридж: 825 мл
-
Резервуар для чернил: 1200 мл
-
Система снижения расхода растворителя (Пельтье): Опционально
Информация о параметрах:
- Панель управления: Сенсорные мембранные кнопки
- Вес: 23 кг
- Корпус: нержавеющая сталь 304
- Количество строк для печати: 1-3 строки
- Максимальная скорость: 148 м/мин
- Длина канала: 3 м
- Размер сопла: 60 мкм
Струйный принтер Domino A120 постепенно станет массовым продуктом на рынке, заменив старую оригинальную модель Domino A100.
Степень защиты достигает IP55, а компактный корпус из нержавеющей стали марки 304 промышленного дизайна отвечает экологическим требованиям.
Возможность печати до 3 строк, что позволяет удовлетворить 80% потребностей рынка.
Серийное сопло, герметичное сопло.
Автоматическая очистка принтера Real switch.
Система герметичной подачи чернил, основанная на конструкции основного чернильного бака серии A, получила признание покупателей.
Простой в использовании редактор, простой способ редактирования в любой области, а также возможность редактирования сложной информации даже без опыта.
Простое управление скоростью печати и форматом печати.
Избегайте потерь, вызванных несанкционированными изменениями пользователя.
Не требуется специального обучения, включение / выключение питания осуществляется одной кнопкой.
Электронная система на одной материнской плате, встроенный источник питания высокого и низкого напряжения.


